Equalizer IC Distributor in China
- ●Provides complete and easy- to- use solutions for audio applications.
● Perfect for reducing noise in one band.
● Can work from multiple audio sources.
● Enable a real-time display of the audio output.
Any Types of Active Filter IC and Other IC Chips Just Send us Your Part Number,We'll Quote You Within 8 Hours
Equalizer IC Distributor in China
UNIFORTUNE introduces Equalizer IC which provides complete and easy- to- use solutions for audio applications.
It offers equalization controls such as 20Hz, 40Hz, 80Hz, 160Hz, 320Hz, 640Hz,1.25kHz, 2.5kHz, 5kHz and 10kHz.
This have a great control over an audio signal and gives a graphic representation of the tonal correction being applied. Perfect for reducing noise in one band without affecting audio in another.

UNIFORTUNE Equalizer IC features a 2-micron CMOS process and utilizes switch capacitor technology. The device will replace several discrete components (op-amps, resistors, capacitors and diodes) and multiplexers.
Equalizer ICs can work from multiple audio sources. You can customize the listening experience to compensate for speaker, room/ enclosure acoustics or user preferences.
An optional element of graphical frequency-band is also available to enable a real-time display of the audio output.

UNIFORTUNE provides an Equalizer ICs which is best for Bluetooth audio speakers and audio peripherals, USB-enabled audio, speaker phones, headset, and microphone noise suppression.
Our product integrated a real-time analyzer lets you compare the difference between two sources. Created for live sound and also useful for studio listening experiences as well.
If you experience severe phase distortion, noise and other anomalies related to center frequency accuracy, filter shape and attenuation accuracy which leads to deterioration of the sound quality of the system, UNIFORTUNE Equalizer ICs is the best choice. It will help you eliminate these problems.

UNIFORTUNE gives you the best electronic component and product which will suits all your needs.
Within almost 15 years, UNIFORTUNE became the best partner of the majority of the customers.
UNIFORTUNE offers you unprecedented Equalizer IC with quality warranted products, swift delivery, competitive price, high-quality parts and the highest filtered calibration and

reliability standards in the industry throughout the years. If you choose UNIFORTUNE Equalizer IC, you will never regret!
Equalizer IC: The Ultimate FAQ Guide
Before you import equalizer IC from China, know the working principle, features, testing procedures, classification criteria, characteristics, etc.
You need to know every aspect of equalizer IC, from basic to the advanced circuit system.
And, that’s exactly what you will learn in this guide:
- What is an Equalizer IC?
- How does an Equalizer IC work?
- What are the Benefits of using Equalizer IC?
- What are the Components of an Equalizer IC?
- How do you Test an Equalizer IC?
- What are the Characteristics of Effective Equalizer IC?
- How do you Select the Best Equalizer IC?
- Are there Drawbacks from the use of an Equalizer IC?
- What are the Applications of an Equalizer IC?
- What are the Design Techniques of the Equalizer IC?
- Can you Repair an Equalizer IC?
- What are the Common Problems of an Equalizer IC?
- How do you Classify Equalizer IC?
- Which types of Equalizer IC are there?
- What is a 5-band Graphic equalizer IC?
- What is the difference between a 5-band Graphic Equalizer IC and a 10-band Graphic Equalizer IC?
- What is the Voltage Rate for an Equalizer IC?
- How does a 10-band Graphic Equalizer IC Function?
- What is an Audio Equalizer IC?
What is an Equalizer IC?
An equalizer IC is a type of IC whose function is to divide an audio spectrum into different frequency bands. These bands have independent gaining control for the individual bands.

Equalizer IC
How does an Equalizer IC work?
An Equalizer works through a combination of the functions of its different components. That is, the transistor amplifies any electronic signal present in an Equalizer integrated circuit.
The Diode facilitates the flow of electric current in one direction within the Equalizer IC. This helps facilitate the flow of current.
When there is an overload in the current flowing, a resistor helps in reducing this excess current flowing through the Equalizer IC.
Resistors also help in ensuring each component within the Equalizer IC gets its required current. This is through the division of the current. The capacitor stores the excess energy flowing through the Equalizer IC.
The conductive pathways within the Equalizer IC act as the links that current flows through as it heads to the components. There is the microprocessor, which acts as the memory component of the Equalizer IC.
Its function is to follow and calculate logical protocols for accurate processing of the data relevant for the Equalizer IC.
What are the Benefits of using Equalizer IC?
The following are the main benefits of using an Equalizer IC:

Equalizer IC circuit
- An Equalizer IC is smaller in size, which is important during the fabrication of small electronic equipment due to the fabrication of tiny circuit elements. You can easily have a piece of small and sleek equipment that can function the same way a big electronic device can function.
- They weigh less due to the size of the circuit elements. This has the effect of reducing the overall weight resulting in portable electronic gadgets.
- Fabrication cost for Logic is cheaper. This has the effect of reducing the cost of purchasing Equalizer ICs.
- Equalizer IC has a low power consumption rate, which helps in reducing power costs.
- There is a small temperature difference between the components of the Equalizer IC. This helps in reducing the electromagnetic effect, which affects the performance of the electrical device.
- An Equalizer IC has a higher operating speed. This is due to the lack of capacitance and parasitic effect.
What are the Components of an Equalizer IC?
The main components of an Equalizer IC include:

Equalizer IC diagram
·Transistors
A transistor refers to a semi-conductor whose function is to amplify an electronic signal in an Equalizer IC. They also switch the electrical signals. It features a semi-conductor having three terminals that connect to an external circuit.
·Diode
A diode refers to a two-terminal electrical component that conducts current in one direction. It features a zero resistance one direction and a high resistance in the other direction.
There are different types of diode, including; A semi-conductor diode and a thermionic diode. Silicon, gallium, and arsenide are the main materials used for diode manufacturing.
·Resistors
A resistor is a passive component of the Equalizer IC consisting of two terminals. Their function is to reduce the current flowing through the Equalizer IC, adjust signal levels, and termination of signal transmission.
They also divide the voltage required for the different components.
·Capacitors
The function of the capacitor is to store electrical energy within the Equalizer IC. It consists of two terminals and acts as a passive electrical component.
Capacitors have two metallic plates that act as electrical conductors that have a dielectric medium in between them. The material for the dielectric medium can be a plastic film, paper, oxide layers, glass, or ceramic.
·Conductive pathway
This is the pathway that connects all the components of an Equalizer IC.
·Microprocessor
The microprocessor is the memory part of the Equalizer IC. The function of the microprocessor is to follow and calculate logical protocols for accurate processing of the data relevant for the Equalize IC
How do you Test an Equalizer IC?
The tests for an Equalizer IC include the following:
i. Continuity Test
This is a test that measures if there is electricity flow through a given part. To conduct this test, place the two probes to the multimeter and select continuity.
The results are positive if the readings on your multimeter are zero.
If it records one or it has an open loop, then there is no continuity at the given part.
ii. Leakage Test
This test determines if the Equalizer IC is damaged or not. For this, you need to observe keenly on the sides of the Equalizer IC to check for any damages.
iii. Resistance Test
Resistance tests are a measure of current loss while there is a flow of electricity through a given component. Its unit for measurement is Ohms.
You can determine the resistance of a given component using a multimeter. Set the multimeter to read the resistance range on the Equalizer IC.
Then check if the given point can handle the resistance range on the Equalizer IC.
iv. Voltage Test
The voltage test measures the force of electric pressure. Carrying out this test depends on the type of current your appliance requires, that is, direct current or alternating current.
What are the Characteristics of Effective Equalizer IC?
The characteristics of an effective Equalizer IC are:
· Gain Independent of Frequency
An Equalizer IC needs to have an independent gain of the input signal frequency. This results in a constant and efficient gain production across the frequencies.
· Zero Input Voltage Offset
If there is no voltage passing through the noninverting and inverting input pins, the equalizer IC should record a zero-output voltage. This is because there is no difference between the voltage of the two input pins.
· Infinite Voltage Gain
An ideal equalizer IC chip should contain an infinite voltage gain. This is because there is a need to amplify a simple signal voltage to a megavoltage signal
· Zero Output Impedance
The best equalizer IC should have zero output impedance. For effective performance, an equalizer IC should have zero voltage impedance.
This will help in ensuring that there is a maximum transfer of voltage to the Equalizer IC output load. There is always a drop in voltage across the IC components offering high impedance.
For this to happen, the load should be of greater impedance than equalizer IC output.
· Infinite High Input Impedance
An effective Equalizer IC needs to have a High Input Impedance. This prevents circuit overloading. A lower input impedance increases the current flowing in an Equalizer IC, resulting in overload.
By having a high input impedance, the Equalizer IC will not disturb the source of the circuit by withdrawing current from it.
How do you Select the Best Equalizer IC?
You need to consider the following when selecting an Equalizer IC:

Equalizer IC
· Cost
There are different Equalizer ICs in the market with varying costs. You need to consider the financial aspect when selecting the Interface IC that you want.
· Voltage Difference
This is the electric potential difference between the two parts of an electric component. You need to ensure that there is a minor voltage difference between these points for the effective working of the Equalizer IC.
· Operating Current
The operating current is the optimum current at which your Equalizer IC operates effectively. Working with a current that is beyond the optimum current may damage the IC components.
· Data Rate
An Equalizer IC works by converting data into simple and acceptable information for easy sharing between the components. Data rate helps in determining the speed of conversion and sharing of this information.
· Power Dissipation
Power dissipation is the rate of energy lost during the operation of the Equalizer IC because of resistivity. This rate needs to be low for your Equalizer IC to work effectively.
A higher power dissipation causes Equalizer IC components to melt, leading to malfunctioning.
· Temperature Junction
This is the maximum operating temperature for your Equalizer IC that leads to optimum performance. Beyond this value, your Equalizer IC will malfunction.
Are there Drawbacks from the use of an Equalizer IC?
The following are the drawbacks that you will experience when using an Equalizer IC:
- Fabrication of Equalizer IC is costly. This may increase with the complexity of the Equalizer IC design. You have to replace an Equalizer IC in case of damages since you cannot repair it. This increases the overall cost.
- It is hard to manufacture an Equalizer IC with a rating of more than 10 watts since the consumption of most electronics does not surpass 10 watts.
- It is difficult to manufacture an Equalizer IC that produces low noise while operating under high voltage.
- It is impossible to fabricate high-grade P-N-P.
- Voltage depends on the capacitors and resistors.
- It is impossible to use an Equalizer IC on its own. You have to combine it with other discrete components.
- It is impossible to manufacture an Equalizer IC that has a low-temperature coefficient.
- An Equalizer IC is a delicate component that you need to handle with special care. Any small mishandling leads to the failure of the Equalizer IC.
What are the Applications of an Equalizer IC?
The common applications of an Equalizer IC include:
- Infrared data access (IrDA)
- General Packet Radio Service (GPRS)
- Fiber channel
- High-speed downlink packet access (HSDPA)
- PanelBus or Microwire
- Synchronous optical network (SONET)
- VersaModule Eurocard bus (VMEbus)
- Subscriber Identification Module (SIM)
- Small Computer Systems Interface (SCSI)
- Global Positioning System (GPS)
- Low-voltage CMOS (LVCMOS)
What are the Design Techniques of the Equalizer IC?
The main design techniques of an Equalizer IC are:

5 band equalizer IC
· Hierarchical Design
This design technique involves a written procedure that breaks down larger tasks into smaller tasks. This continues until the refining of the final step.
The final procedure is a simple one that one can write directly. It is also called divide-and-conquer. This is because there is a division of complex procedure into simple ones.
Hierarchical design involves breaking the Integrated Circuit into a component grading consisting of several pins and a body. Individual components act as a black box.
· Design Abstraction
Design abstraction is a common technique in the design of Integrated Circuits. Multiple Design Abstraction is common in the management of an Equalizer ICs as it ensures that it functions appropriately.
Design Abstraction utilizes tools such as Binary Boolean values in its operation. They help in obtaining initial decisions in an Equalizer integrated Circuit before further processing using advanced models.
Design Abstraction takes into consideration several factors. This includes the customer’s specifications: the behavioral description, the register transfer, the logic, the IC layout and the Circuit design.
Design Abstraction operates in an up-down approach.
· Computer-Aided Design
Computer-Aided Design is a technique that involves automation of the fabrication of the Equalizer IC. The essence of this is to simplify the design process and to reduce the cost and time involved in the fabrication cost.
Computer-Aided Design helps in reducing human errors and increases the accuracy level of the functioning of the Equalizer IC.
There are different types of Computer-Aided-Design, including Design entry, Analysis and Verification and Synthesis.
Can you Repair an Equalizer IC?
No. You cannot repair an Equalizer IC. You can only replace an entire Equalizer IC in case of damage to your Equalizer IC.
What are the Common Problems of an Equalizer IC?
The common problems associated with an Equalizer IC include:
- Grounding issues which occur due to improper component soldering
- Power issues involve using components with the same voltage and current abilities.
- You need to test the design at each step before proceeding to the next. This helps in ensuring the proper functioning of the Equalizer IC.
How do you Classify Equalizer IC?
You need to consider the following when specifying an Equalizer IC:
· Voltage Difference
This is the electric potential difference between the two parts of an electric component. You need to ensure that there is a minor voltage difference between these points for the effective working of the Equalizer IC.
· Operating Current
The operating current is the optimum current at which your Equalizer IC operates effectively. Working with a current that is beyond the optimum current may damage the IC components.
· Power Dissipation
Power dissipation is the rate of energy lost during the operation of the Equalizer IC because of resistivity. This rate needs to be low for your Equalizer IC to work effectively.
A higher power dissipation causes Equalizer IC components to melt, leading to malfunctioning.
· Temperature Junction
This is the maximum operating temperature for your Equalizer IC that leads to optimum performance. Beyond this value, your Equalizer IC will malfunction
Which types of Equalizer IC are there?
The common types of Equalizer IC available are:
1. Parametric Equalizer IC
Parametric Equalizer ICS are technical than the other types of Equalizer ICs. They offer a specific alteration around a given frequency. They are a common application in the removal of unnecessary resonances. They are also common in the boosting of given frequencies.
2. Semi-Parametric Equalizer IC
They are less complicated than Parametric Equalizer ICs. They function like Parametric Equalizer IC and offer a cheaper option for the different functions.
3. Peak Equalizer IC
These are a common type of an Equalizer IC whose function is to decrease or increase the strength of a signal in a given portion band. They boast a given frequency band that is close to a set frequency.
4. Graphic Equalizer IC
They are common in home computers and music playing devices such as home theatres. Graphic Equalizer IC allows for users to observe in graphic a given frequency and individually control them. It consists of numerous audio amplifiers that are at the center within a given frequency in an audio range.
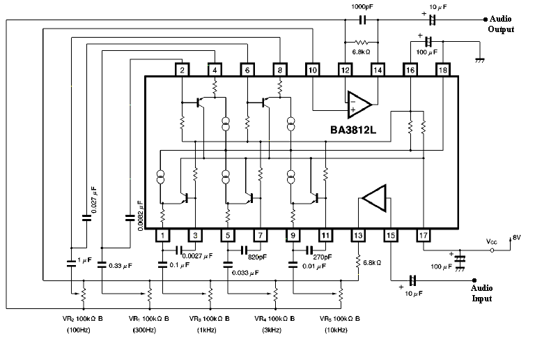
What is a 5-band Graphic equalizer IC?
A 5-band graphic Equalizer IC consists of passive components that work independently towards the division of an audio spectrum.
What is the difference between a 5-band Graphic Equalizer IC and a 10-band Graphic Equalizer IC?
A 5-band graphic equalizer consists of 5 different elements that function differently. In a 10-band graphic equalizer IC, the components are the same and function as one unit.
It is easy to fabricate a 10-band graphic equalizer IC into a 5-band graphic equalizer IC. The only requirement is pairing the elements into 5pairs.
What is the Voltage Rate for an Equalizer IC?
The voltage rate depends on the type of Equalizer IC. There are three types of Equalizer IC, depending on the voltage requirements.
That is a low voltage, a medium voltage and a high voltage equalizer IC. The choice of equalizer IC to select depends on the type of application that you are using.
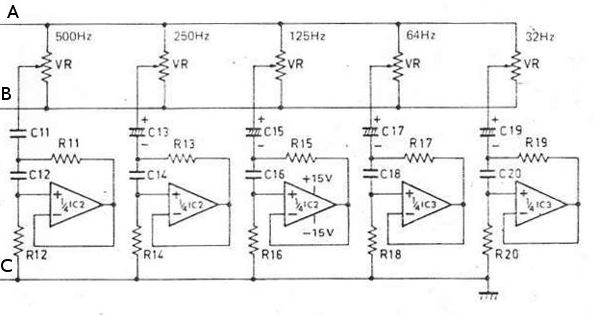
How does a 10-band Graphic Equalizer IC Function?
The functioning of the 10-band graphic equalizer IC depends on its identical stages. The difference between these stages is the variation in the values of the pot and the capacitors.
The Opamp is responsible for conveying the voltage over to the ground resistance. As a result, the voltage on the feedback resistor equals the difference between the input and output.
This results in a flow of current through the feedback resistor back to the voltage input source.
What is an Audio Equalizer IC?
An audio Equalizer IC is an IC whose function is to divide an audio spectrum into different frequency bands.
It is a common application in the audio systems since it increases and reduces audio volumes.